SLEDOVAČ SIGNÁLŮ NA VÍCE VSTUPECH PC
Vágner Vlastimil
Přípravek je určen pro sledování signálů na více místech v testovaném zařízení současně,připojuje se na sériový port kde využívá vstupy sériového portu CTS,DSR,RI a DCD.Uvedené zapojení ani program si neklade za cíl konkurovat továrním výrobkům určeným k těmto účelům má pouze sloužit k vlastní inspiraci a možnosti využít starý počítač PC k různým měřením.
POPIS PŘÍPRAVKU
Modul je určen ke sledování NF signálu v testovaném zařízení, který zvládá do 20KHz signál ze vstupů je zobrazován na monitoru PC, nebo může být použit ke sledování signálu bez přípravku, POKUD VSTUPNÍ SIGNÁL NEPŘESÁHNE HODNOTU 5V,kdy se toto napětí připojuje přímo na vstupy PC v tom případě jde o TTL signál, tuto variantu měření nedoporučuji v případě, že si nejsme jisti hodnotou napětí signálu TTL vzláště pokud testované zařízení není napájeno napětím do 5V tj. plochou baterií. Dále bude popsán jeden vstup přípravku z důvodu, že zbývající vstupy jsou identické.
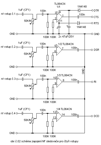
Přípravek je tvořen jedním integrovaným obvodem TL064CN jde o operační zesilovač se čtyřmi vstupy J-FET který je napájen ze sériového portu výstupními signály DTR a RTS napětí je na IO přivedeno přes oddělovací diody a vyhlazeno pomocí kondenzátorů.vstupní signál je přiveden na oddělovací kondenzátor z něho je přiveden na potenciometr kterým nastavujeme citlivost (velikost vstupního signálu) z potenciometru je signál veden na další oddělovací kondenzátor a z něho pak na neinventující vstup operačního zesilovače. Výstup z operačního zesilovače je přes oddělovací kondenzátor přiveden na vstup počítače PC schéma zapojení je na obrázku č.02.
POPIS PROGRAMŮ
Program je napsán v Turbo Pascalu je součástí adresáře kde je i tento popis název programu je SIGNAL.EXE je zde i program SLEDOVAČ.EXE který je určen pro používání se sledovačem NF signálu pro jeden vstup.Program SLEDOVAC.EXE je upravený tak že umožňuje volbu zapnutí nebo vypnutí reproduktoru v PC.
Popis programu : SIGNAL.EXE tento je určen výhradně pod OS DOS,jde spustit i na počítačích s OS WINDOWS 95-98 kdy umožňuje sledovat signály na všech vstupech sériového portu PC.Pokud je program spuštěn pod OS WINDOWS 2000,XP,NT jde spustit pouze z příkazové řádky pokud jsou tyto OS nainstalovány jako 32-bitové tak umožňuje měření pouze na vstupech č.1,č.2 a č.4 vstup č.3 nelze používat toto je odzkoušeno na více počítačích PC,pokud jsou však uvedené OS nainstalovány jako 64-bitové tak program nelze spustit.V případě že počítač s uvedeným OS WINDOWS 2000,XP,NT má disketovou mechaniku je možné po vytvoření systémové diskety a nahrání programu SIGNAL.EXE používat na měření všechny vstupy sériového portu PC bez jakéhokoliv omezení.Po spuštění programu se zvolí číslo sériového portu kde je připojen převodník volbu volíme stiskem klávesy č.1 až č.4 stiskem klávesy č.1 volíme sériový port číslo 1 atd.Po volbě se již postupně zobrazí na monitoru PC vstup.č.1,vstup č.2,vstup č.3 a vstup č.4 pokud se nyní přivede na jakýkoliv vstup převodníku signál je tento u patřičného vstupu zobrazen.program se ukončí stiskem klávesy ESC.
Popis programu : SLEDOVAC.EXE tento program je určen stejně jako předchozí také pod OS DOS,WINDOWS95,WINDOWS98.Pod OS WINDOWS 2000,XP,NT jde spustit pouze z příkazové řádky pokud jsou uvedené OS nainstalovány jako 32-bitové,v případě že jsou uvedené OS instalovány jako 64-bitové program se nespustí.Po volbě sériového portu ten volíme stejně jako v předchozím případě,volíme zda chceme zapnout reproduktor zapnutí volíme stiskem klávesy „A“ po jejím stisku se zobrazuje měřený signál na monitoru PC pokud je připojen na převodník a současně ho slyšíme i v reproduktoru.V případě že nechceme mít zapnutý reproduktor stiskneme klávesu „N“ a na monitoru PC se pouze zobrazuje měřený signál.program ukončíme stiskem klávesy ESC.
SCHÉMA TA ZAPOJENÍ
PŘEVODNÍKŮ
SCHÉMA ZAPOJENÍ NF SLEDOVAČE PRO JEDEN VSTUP

SCHÉMA ZAPOJENÍ SLEDOVAČE PRO ČTYŘI VSTUPY

Vágner Vlastimil vagnervlastimil@seznam.cz
Článek pro jeden vstup byl publikován v časopisech Radio Plus KTE , PE